AndreySpb Опубликовано 1 июля, 2024 Жалоба Опубликовано 1 июля, 2024 33 минуты назад, ДобрыйВечер сказал: попробуй предохранитель заменить,либо (для проверки) соединить напрямую Первым делом его выкинул и напрямую соединил)))) Цитата
ДобрыйВечер Опубликовано 1 июля, 2024 Жалоба Опубликовано 1 июля, 2024 6 минут назад, AndreySpb сказал: Первым делом его выкинул и напрямую соединил)))) 7 минут назад, AndreySpb сказал: Первым делом его выкинул и напрямую соединил)))) молодец,соображаешь)почисти контакты замка зажигания и вообще все вэдэшкой залей.ну и слабое место-центральная коса в месте ,где она сгибается.в основном при левом повороте руля Цитата
Летучий Голландец Опубликовано 1 июля, 2024 Жалоба Опубликовано 1 июля, 2024 1 час назад, AndreySpb сказал: Первым делом его выкинул и напрямую соединил)))) Наверное у тебя проводка никогда не горела... Поверь на слово, удовольствие ниже среднего! Цитата
AndreySpb Опубликовано 2 июля, 2024 Жалоба Опубликовано 2 июля, 2024 11 часов назад, ДобрыйВечер сказал: молодец,соображаешь)почисти контакты замка зажигания и вообще все вэдэшкой залей.ну и слабое место-центральная коса в месте ,где она сгибается.в основном при левом повороте руля Замок зажигание отрезал сразу же так как там один подгоревший контакт был, напрямую черный с красным соединял, ну и на всякий случай отрубил все что идет на приборку)))) Глюк плавающий, пока ехал из Копорья в Питер ( примерно 80 км ) остановился раз 5 по большей части на светофорах когда на нейтраль переходил. 10 часов назад, Летучий Голландец сказал: Наверное у тебя проводка никогда не горела... Поверь на слово, удовольствие ниже среднего! Выкинул, чтобы его исключить из проблемы, и доехать хоть как-то ))) У этого мота уже подгорала проводка но до меня, кто-то из предыдущих владельцев сильно мощные лампы поставил, кнопка переключения режима света в пульте была полностью расплавленной и в косе правого пульта провода спеклись((( ЗЫ несли, что пульты были заменены на новые и проводку от них до центральной косы перебрал, разъёмы с клеймами поменял на новые. Похоже надо перетряхнуть всю проводку, возможно где-то надломлен красный провод идущий от АКБ или черный который после замка идет. Цитата
ДобрыйВечер Опубликовано 2 июля, 2024 Жалоба Опубликовано 2 июля, 2024 1 минуту назад, AndreySpb сказал: Замок зажигание отрезал сразу же так как там один подгоревший контакт был, напрямую черный с красным соединял, ну и на всякий случай отрубил все что идет на приборку)))) Глюк плавающий, пока ехал из Копорья в Питер ( примерно 80 км ) остановился раз 5 по большей части на светофорах когда на нейтраль переходил. Выкинул, чтобы его исключить из проблемы, и доехать хоть как-то ))) У этого мота уже подгорала проводка но до меня, кто-то из предыдущих владельцев сильно мощные лампы поставил, кнопка переключения режима света в пульте была полностью расплавленной и в косе правого пульта провода спеклись((( ЗЫ несли, что пульты были заменены на новые и проводку от них до центральной косы перебрал, разъёмы с клеймами поменял на новые. Похоже надо перетряхнуть всю проводку, возможно где-то надломлен красный провод идущий от АКБ или черный который после замка идет. да не похоже,а без вариантов,раз там провода спеклись уже.пульты ещё есть в продаже(с небольшой корректировкой пинов),а вот центральной косы нету.только потрошить и перепаивать Цитата
ДобрыйВечер Опубликовано 2 июля, 2024 Жалоба Опубликовано 2 июля, 2024 Только что, ДобрыйВечер сказал: да не похоже,а без вариантов,раз там провода спеклись уже.пульты ещё есть в продаже(с небольшой корректировкой пинов),а вот центральной косы нету.только потрошить и перепаивать в личные сообщения написал Цитата
Летучий Голландец Опубликовано 2 июля, 2024 Жалоба Опубликовано 2 июля, 2024 6 часов назад, AndreySpb сказал: Выкинул, чтобы его исключить из проблемы, для того чтобы исключить проблему, нужно чтобы в запасе пара предохранителей была и проводка была в прядке! Но если ты решил так... Ну чтож, дай Бог тебе удачи! Цитата
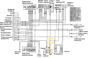
AndreySpb Опубликовано 2 июля, 2024 Жалоба Опубликовано 2 июля, 2024 3 часа назад, Летучий Голландец сказал: для того чтобы исключить проблему, нужно чтобы в запасе пара предохранителей была и проводка была в прядке! Но если ты решил так... Ну чтож, дай Бог тебе удачи! Ничего небыло с собой кроме гаечных ключей и отвертки, а до базы почти 80 км, особо выбора не было, хоть как-то доехать. Так что вынутый предохранитель это временное решение. ЗЫ судя по схеме, этот пред спасет только от КЗ при питании от аккумулятора, если во время работы движка то питание с генератора пойдет мимо этого преда. 1 Цитата
AndreySpb Опубликовано 13 июля, 2024 Жалоба Опубликовано 13 июля, 2024 Добрый вечер, разобрался с проблемой отключения всего, оказалось это аккумулятор так подыхал. Перетряхнул всю проводку, все в целости. А сегодня когда обратно все собрал и решил поехать вроде все свети и моргает, но как пытаешься завести электрика отключается. Попробовал аккум на зарядку поставить, зарядка отказалась его заряжать, пришлось идти покупать новый аккум (((( Цитата
Dimani4 Опубликовано 22 июля, 2024 Жалоба Опубликовано 22 июля, 2024 Всем доброго дня! Возникла проблема с карбюратором (возможно). При повышении оборотов (выше 2000), двигатель "захлебывается" и мотоцикл глохнет, при этом на холостом работает более - менее. Игла на карбюраторе стоит на смаом нижнем положении (т.е зажим у иглы на самой верхней ризке). Винт качества тоже крутил и на 1.5 и на 2 и на 2.5 оборотов, реакции почти нет. Подскажите в чем может быть еще причина. быть может кто сталкивался. Спасибо. Цитата
Летучий Голландец Опубликовано 22 июля, 2024 Жалоба Опубликовано 22 июля, 2024 Однозначно трабл в карбе. Разбирать, чистить, настраивать... Возможно прийдётся купить ремкомплект. Цитата
Dimani4 Опубликовано 22 июля, 2024 Жалоба Опубликовано 22 июля, 2024 Спасибо за наводку. Карб родной - микуни. Если есть у кого на него документация, буду рад если поделитесь. Сам карб я уже чистил и промывал. Поплавки к слову норм. Ничего не пропускают. Возможно посоветует кто замену оригинальному, на более живучий и ремонтопригодный. Рассмотрю все варианты Цитата
Летучий Голландец Опубликовано 22 июля, 2024 Жалоба Опубликовано 22 июля, 2024 Я пользую pz30, некоторые его поносят, а меня вполне устраивает, раз настроил и забыл, ну разве что засориться, но в этом он не виноват. Цитата
Гоша1001 Опубликовано 22 июля, 2024 Жалоба Опубликовано 22 июля, 2024 а я предпочитаю Ниби - классный бурбулятор! Цитата
Dimani4 Опубликовано 22 июля, 2024 Жалоба Опубликовано 22 июля, 2024 Что можете на счет такого сказать? Цитата
Летучий Голландец Опубликовано 22 июля, 2024 Жалоба Опубликовано 22 июля, 2024 37 минут назад, Dimani4 сказал: Что можете на счет такого сказать? Я с пвк30 нынешний мопед купил, помучался и так и не смог настроить. Информации по нему мало, поэтому заменил на пз30. Хотя считается более прогрессивным по сравнению с пз! Цитата
Dimani4 Опубликовано 22 июля, 2024 Жалоба Опубликовано 22 июля, 2024 42 минуты назад, Летучий Голландец сказал: Я с пвк30 нынешний мопед купил, помучался и так и не смог настроить. Информации по нему мало, поэтому заменил на пз30. Хотя считается более прогрессивным по сравнению с пз! под ПЗ30 ведь для Балтики переходник нужен, если не ошибаюсь. Не подскажешь по комплектующим? Цитата
Летучий Голландец Опубликовано 22 июля, 2024 Жалоба Опубликовано 22 июля, 2024 40 минут назад, Dimani4 сказал: Не подскажешь по комплектующим? Каким комплектующим? Если у тебя манифольд со шпильками, то ничего не нужно. Если ты захочешь карб с ускорительным насосом, то нужен будет двойной трос газа. Хотя я нормально и с простым катаюсь, мне ускоритель не нужен. Цитата
KeKC Опубликовано 23 июля, 2024 Жалоба Опубликовано 23 июля, 2024 (изменено) 13 часов назад, Dimani4 сказал: Карб родной - микуни. Если есть у кого на него документация, буду рад если поделитесь. Сам карб я уже чистил и промывал. Поплавки к слову норм. Ничего не пропускают. Возможно посоветует кто замену оригинальному, на более живучий и ремонтопригодный. Простейший и надежнейший карб. С чего вообще всё началось? Я в свой ни разу никуда ни лазил, раз иглу поднимал но стало хуже, мотор перестал развивать мощность. Вернул всё как было. Ни в жиклеры, ни в поплавковую камеру тоже не лазил ни разу. Был раз подсос воздуха - прослаб патрубок на цилиндре. Глох иногда на холостых и не выдавал мощность. Подтянул - прошло. Можно карбклинером попшикать все соединения на запущенном моторе и посмотреть есть ли подсос. Игла, если мне память не изменяет, в серединке у меня стоит. Вот когда свечной колпачёк от старости потрескался и набрал воды были похожие симптомы. С горем пополам работал на хх и глох при увеличении оборотов. Может быть и такое что система питания тут совсем не при чем. Изменено 23 июля, 2024 пользователем KeKC Цитата
Dimani4 Опубликовано 23 июля, 2024 Жалоба Опубликовано 23 июля, 2024 7 часов назад, KeKC сказал: Простейший и надежнейший карб. С чего вообще всё началось? Я в свой ни разу никуда ни лазил, раз иглу поднимал но стало хуже, мотор перестал развивать мощность. Вернул всё как было. Ни в жиклеры, ни в поплавковую камеру тоже не лазил ни разу. Был раз подсос воздуха - прослаб патрубок на цилиндре. Глох иногда на холостых и не выдавал мощность. Подтянул - прошло. Можно карбклинером попшикать все соединения на запущенном моторе и посмотреть есть ли подсос. Игла, если мне память не изменяет, в серединке у меня стоит. Вот когда свечной колпачёк от старости потрескался и набрал воды были похожие симптомы. С горем пополам работал на хх и глох при увеличении оборотов. Может быть и такое что система питания тут совсем не при чем. Долгая история... Но если в кратце. Мот я купил по цене чермета (условно), поскольку прошлый хозяин начудил с электрикой и сжег все к хренам. С доками все впорядке вот и решиля себе на зиму "игрушку" купить, чтоб руки не скучали.Сейчас по проводке все хорошо (лучше чем может быть), а вот по механике отнюдь. Мот себя с первой минуты плохо вел. Сперва думал, что жиклеры от времени и от простоя забились ( ну конденсат и ненпдлежащее хранение). Промыл все, прочистил, но вот только рехультата 0. Холостой дежит, да, но только разогретый - в противном случае только на подсосе. На проставку между цилиндром и карбом я тоже грешил вперва, но там все впорядке. Свеча и катушка тоже - к слову (обе новые). Остается грешить на карб и я согласен, он до неприличия прост, однако отсюда и вопрос - какого ляда он не работает. Цитата
Рекомендуемые сообщения
Присоединяйтесь к обсуждению
Вы можете написать сейчас и зарегистрироваться позже. Если у вас есть аккаунт, авторизуйтесь, чтобы опубликовать от имени своего аккаунта.
Примечание: Ваш пост будет проверен модератором, прежде чем станет видимым.