Перейти к содержанию

Рекомендуемые сообщения

Опубликовано
В 26.12.2022 в 17:52, Дизель 1 сказал:

Олег ! Вы точно уверены что вход в голову 30мм? Я просто не разбирал сам. Нет желания пока не разобрались нарушать герметичность впуска

В размере отвЭрстия в головку цилидра уверен на все 100. Сам коллектор тоже хитрый. Его внутренний диаметр со стороны головы так же 30мм, а вот внутренний диаметр со стороны карбюратора точно не помню, то ли 32мм либо 34мм ( снимал и мерял в августе месяце).  На коллекторе есть маркировка 173 ZL. В поисковике этот коллектор бьется как "патрубок карбюратора (коллектор впускной) 164FML, 166FMM (CG200-250) ZL173". 

IMG_20221228_221118.jpg

IMG_20221228_221006.jpg

IMG_20221228_222129.jpg

Опубликовано

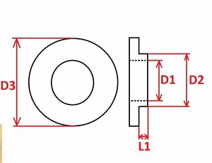
Комрады, нужна помощь. Имею на борту люфт в прогрессии как на видео с канала "Мотоконь. Прогреессия на пробеге ~8000км". Есть у кого то размеры частей нашей прогрессии? Нужны размеры нижнего болта (при установленной прогрессии на мотоцикле) и проушины П образной части той самой прогрессии. Для того чтоб устранить люфт, хочу сделать фигурные шайбы. 

Я пока что на контракте и есть возможность выточить шайбы нужных размеров. На фото обозначил как смог что именно нужно.

D1 - диаметр отверстия в шайбе, он же диаметр болта с небольшим послаблением.

D2 - внутренний диаметр проушин в П образной части прогрессии.

D3 - внешний диаметр П образной проушины.

L1 - толшина проушины.

P.S. Фото являются скриншотами из видео упомянутого выше.

Буду очень признателен откликнувшейся душе))))

Screenshot_2022-12-28-23-39-36-970_com.miui.gallery.jpg

Screenshot_2022-12-28-23-41-02-051_com.miui.gallery.jpg

Шайба.jpg

Опубликовано
Комрады, нужна помощь. Имею на борту люфт в прогрессии как на видео с канала "Мотоконь. Прогреессия на пробеге ~8000км". Есть у кого то размеры частей нашей прогрессии? Нужны размеры нижнего болта (при установленной прогрессии на мотоцикле) и проушины П образной части той самой прогрессии. Для того чтоб устранить люфт, хочу сделать фигурные шайбы. 
Я пока что на контракте и есть возможность выточить шайбы нужных размеров. На фото обозначил как смог что именно нужно.
D1 - диаметр отверстия в шайбе, он же диаметр болта с небольшим послаблением.
D2 - внутренний диаметр проушин в П образной части прогрессии.
D3 - внешний диаметр П образной проушины.
L1 - толшина проушины.
P.S. Фото являются скриншотами из видео упомянутого выше.
Буду очень признателен откликнувшейся душе))))
Screenshot_2022-12-28-23-39-36-970_com_miui.gallery.thumb.jpg.3c3a3ea7c25f4cb843b767660a8d5e2c.jpg
Screenshot_2022-12-28-23-41-02-051_com_miui.gallery.thumb.jpg.80c6046a0855005a5fe3cb9967dae93e.jpg
1711450428_.thumb.jpg.e56b8d3d4b5c3d5f96ca2750d584dc10.jpg
Я переделываю по болт 12мм от болта подвески ВАЗаSAVE_20221229_231618.jpg
Опубликовано

  Что-то я не понимаю вас, мужики. Этот болт и втулка неподвижные части прогрессии. Если болт плохо зажат будет люфт, но это не правильно. Поэтому от диаметра болта и отверстий ни чего не зависит. Прогрессия работает по наружной части металлической втулки. Все три втулки должны быть зажаты болтами наметво. Я так понимаю работу прогрессии.

Опубликовано

Парни, нужна помощь по электрике, товарищ втыкает сигнализацию, разъём под сигналку есть на нем? Просто найти не можем.

Опубликовано
42 минуты назад, Serega_80 сказал:

Парни, нужна помощь по электрике, товарищ втыкает сигнализацию, разъём под сигналку есть на нем? Просто найти не можем.

На пантере под сиденьем, в нём заглушка с проводком воткнута. Думаю и здесь примерно так же.

Опубликовано
41 минуту назад, duzz сказал:

На пантере под сиденьем, в нём заглушка с проводком воткнута. Думаю и здесь примерно так же.

На многих мотах есть фишка, на этом не найдем, вот и спрашиваю, есть или нет.

Скорей всего проводки не сильно отличаются от пантеры, раз на ней есть должно и тут быть. Будем искать. 

Опубликовано
28 минут назад, Serega_80 сказал:

На многих мотах есть фишка, на этом не найдем, вот и спрашиваю, есть или нет.

Скорей всего проводки не сильно отличаются от пантеры, раз на ней есть должно и тут быть. Будем искать. 

Я лишних разьемов не видел,проводку прокладывал полностью по новой.

Опубликовано
  Что-то я не понимаю вас, мужики. Этот болт и втулка неподвижные части прогрессии. Если болт плохо зажат будет люфт, но это не правильно. Поэтому от диаметра болта и отверстий ни чего не зависит. Прогрессия работает по наружной части металлической втулки. Все три втулки должны быть зажаты болтами наметво. Я так понимаю работу прогрессии.
Почти, но не совсем
Опубликовано (изменено)
В 30.12.2022 в 02:21, Странник 67 сказал:

  Что-то я не понимаю вас, мужики. Этот болт и втулка неподвижные части прогрессии. Если болт плохо зажат будет люфт, но это не правильно. Поэтому от диаметра болта и отверстий ни чего не зависит. Прогрессия работает по наружной части металлической втулки. Все три втулки должны быть зажаты болтами наметво. Я так понимаю работу прогрессии.

В том то и проблема. Стук у меня происходит к примеру, при проезде лежачего полицейского на скорости. Когда заднее колесо после лежачего находится в воздухе и подвеска идет на отбой и в этот момент из за большой нагрузки так сказать в "обратную сторону" и происходит какой то сильный стук. Такое чувство будто амортизатор пустой и происходит удар отбоя, но удар прям металлический. Амортизатор при раскачивании мотоцикла полностью гасит все колебания. Набивал амортизатор до 12 бар, стук не ушел. Лежачий полицейский один из примеров. Происходит сильный стук при любом случае когда зад полностью разгружается до отбоя аморти, при этом когда дергаю весь мот за хост до открыва колеса от пола, все тихо и глухо как и должно быть только в любой момент езды.

Изменено пользователем Oleg Olegovich
Опубликовано
В том то и проблема. Стук у меня происходит к примеру, при проезде лежачего полицейского на скорости. Когда заднее колесо после лежачего находится в воздухе и подвеска идет на отбой и в этот момент из за большой нагрузки так сказать в "обратную сторону" и происходит какой то сильный стук. Такое чувство будто амортизатор пустой и происходит удар отбоя, но удар прям металлический. Амортизатор при раскачивании мотоцикла полностью гасит все колебания. Набивал амортизатор до 12 бар, стук не ушел. Лежачий полицейский один из примеров. Происходит сильный стук при любом случае когда зад полностью разгружается до отбоя аморти, при этом когда дергаю весь мот за хост до открыва колеса от пола, все тихо и глухо как и должно быть только в любой момент езды.
При большом размере и ударных нагрузках и будет в соединении стучать. Как бы не затянул. Тем более, там болты не каленые при сильной затяжке просто порвешь резьбу.
Опубликовано
6 часов назад, mlashko сказал:
23 часа назад, Oleg Olegovich сказал:
В том то и проблема. Стук у меня происходит к примеру, при проезде лежачего полицейского на скорости. Когда заднее колесо после лежачего находится в воздухе и подвеска идет на отбой и в этот момент из за большой нагрузки так сказать в "обратную сторону" и происходит какой то сильный стук. Такое чувство будто амортизатор пустой и происходит удар отбоя, но удар прям металлический. Амортизатор при раскачивании мотоцикла полностью гасит все колебания. Набивал амортизатор до 12 бар, стук не ушел. Лежачий полицейский один из примеров. Происходит сильный стук при любом случае когда зад полностью разгружается до отбоя аморти, при этом когда дергаю весь мот за хост до открыва колеса от пола, все тихо и глухо как и должно быть только в любой момент езды.

При большом размере и ударных нагрузках и будет в соединении стучать. Как бы не затянул. Тем более, там болты не каленые при сильной затяжке просто порвешь резьбу.

Видимо Вы меня перепутали с другим участником форума. Я за затяжку ни чего не говорил. Она должна быть не более рекомендуемого момента для этого диаметра болта. Мне просто нужны размеры которые я просил ранее, что бы сделать фигурные шайбы, как раз для того чтоб убрать эти зазоры в "ушах" прогрессии. 

Опубликовано

Парни, на днях всё таки Ренджер приедет в мой сарайчик. Вопрос по багажным системам открыт. Размеры рамок пишите кто желает, посмотрю на месте, может получится сделать рамки отдельно, багажник отдельно, хотя я за цельносварную конструкцию. Клетку буду делать на 250 водянку, на 300 не знаю подойдёт или нет.

Опубликовано
5 часов назад, Maks7491 сказал:

я тут озадачился вопросам с дугами, кто нибудь ставил их себе? какие?

Буду мудрить на днях, но не дуги, а клетку(больше понравилось, хотя и дуги прикинуть можно).

Опубликовано
Парни, на днях всё таки Ренджер приедет в мой сарайчик. Вопрос по багажным системам открыт. Размеры рамок пишите кто желает, посмотрю на месте, может получится сделать рамки отдельно, багажник отдельно, хотя я за цельносварную конструкцию. Клетку буду делать на 250 водянку, на 300 не знаю подойдёт или нет.
Так багажник у нас есть, что там ещё делать?
Опубликовано
3 часа назад, mlashko сказал:
20 часов назад, Serega_80 сказал:
Парни, на днях всё таки Ренджер приедет в мой сарайчик. Вопрос по багажным системам открыт. Размеры рамок пишите кто желает, посмотрю на месте, может получится сделать рамки отдельно, багажник отдельно, хотя я за цельносварную конструкцию. Клетку буду делать на 250 водянку, на 300 не знаю подойдёт или нет.

Так багажник у нас есть, что там ещё делать?

На Дакаре то же площадка под кофр была, я переделывал четко под дно кофра(я ставлю без площадки, болтами наглухо) плюс боковые рамки, система цельносварная получилась.

Опубликовано

Откуда на Рейнджере багажник?????(только допёр)

Посмотри фото S2 Dakar 250, вот там какой-никакой но багажник, плита сверху стоит(причем приличная, но цуко на хрена её загнули не знаю, площадка становится хреново, а про кофр так вообще, получается смещение на пассажирское место).

Вообщем ожидайте результата(товарищ сегодня не в состоянии перегнать мот).

Присоединяйтесь к обсуждению

Вы можете написать сейчас и зарегистрироваться позже. Если у вас есть аккаунт, авторизуйтесь, чтобы опубликовать от имени своего аккаунта.
Примечание: Ваш пост будет проверен модератором, прежде чем станет видимым.

Гость
Ответить в этой теме...

×   Вставлено с форматированием.   Вставить как обычный текст

  Разрешено использовать не более 75 эмодзи.

×   Ваша ссылка была автоматически встроена.   Отображать как обычную ссылку

×   Ваш предыдущий контент был восстановлен.   Очистить редактор

×   Вы не можете вставлять изображения напрямую. Загружайте или вставляйте изображения по ссылке.

×
×
  • Создать...